Читать книгу - "Когнитивная психология - Роберт Солсо"
Аннотация к книге "Когнитивная психология - Роберт Солсо", которую можно читать онлайн бесплатно без регистрации
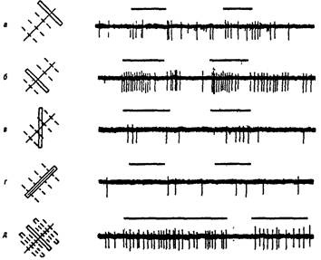
В результате исследований, проводимых в двух направлениях, — неврологическом и бихевиористском, были получены данные в пользу гипотезы о подетальном анализе. Мы сосредоточимся на втором из них, но сначала обратимся к экспериментам Хьюбеля и Визеля (Hubel & Wiesel, 1959, 1963[23]; Hubel, 1963b), из которых прямо видно, какой тип информации кодируется в зрительном участке коры мозга. Ученые вживляли микроэлектроды в зрительную кору кошки и обезьяны, находившихся в состоянии легкого наркоза, а потом изучали нервную активность, возникавшую в результате проекции простых световых паттернов на экран непосредственно перед глазами животного. Регистрируя возбуждение отдельных нервных клеток и усиливая возникающие в них электрические импульсы, они обнаружили, что некоторые клетки реагируют только на горизонтальные фигуры, а некоторые — только на вертикальные. В других экспериментах они обнаружили, что некоторые клетки чувствительны к краям зрительного стимула, некоторые — к линиям, а некоторые — к прямым углам. На рис. 4.13 показано, как усиленная мозговая активность клеток коры у очень молодого (и соответственно зрительно неопытного) котенка связана с конкретной ориентацией освещенной полосы (фрагменты a-d), предъявлявшейся на экране в поле зрения животного. Горизонтальными отрезками над каждой записью активности обозначены периоды, когда стимул был виден. Хьюбель (Hubel, 1963b) пришел к выводу, что формирование этих кортикальных кодов воспринимаемых фигур является врожденным и специфичным для каждой клетки.

Рис. 4.13. Реакции клеток зрительной коры котенка на стимуляцию глаза светлой полосой. Фрагменты а-д показывают ориентацию светлой полосы (вытянутый прямоугольник сплошными линиями) относительно оси рецептивного поля (штриховые линии). На фрагменте д полоса была ориентирована так же, как на а и б, но быстро двигалась из стороны в сторону. Источник: Hubel & Wiesel, 1963
Теперь становится понятным значение огромного числа клеток в зрительной коре. Видимо, каждая клетка имеет свое особое назначение: отвечает за одну ограниченную зону сетчатки, реагируя лучше всего на одну конкретную форму стимула и на одну конкретную ориентацию. Если посмотреть на эту проблему с противоположной стороны, то для каждого стимула — каждой зоны сетчатки, на которую воздействует стимул, каждого типа линии (край, полоса или отрезок) и каждой ориентации стимула — существует определенный набор простых кортикальных клеток, которые на них реагируют; всякое изменение расположения стимула вызывает ответную реакцию новой группы клеток. Количество клеточных групп, последовательно реагирующих по мере того, как глаз следит за медленно вращающимся пропеллером, трудно вообразить.
Следовательно, сложный и громоздкий механизм разложения паттерна на простые детали — не только возможность, имеющая отношение к неврологии, но действительно неврологическая необходимость, то есть подетальный анализ может оказаться необходимым этапом обработки информации, прежде чем анализ паттерна сможет начаться на высшем уровне.
Непосредственное отношение к подетальному анализу имеют наблюдения за движениями глаз и зрительными фиксациями. Можно предположить, что если вы относительно долго смотрите на некоторую деталь паттерна, то вы извлекаете из нее больше информации, чем при мимолетном взгляде. Результаты экспериментов с фиксацией, проведенных русским биофизиком Ярбусом (Yarbus, 1967), показаны на рис. 4.14. Ярбус предположил, что чем больше информации содержит некоторая деталь (например, люди или взаимосвязи между ними на указанной иллюстрации), тем дольше на ней фиксируется взгляд. Он также заключил, что распределение точек фиксации зависит от целей наблюдателя. В одной серии экспериментов испытуемых просили при разглядывании сложного изображения делать некоторые оценки (например, каковы материальные условия членов семьи, сколько им лет). При этом взгляд останавливался на тех деталях, которые наиболее важны для целей испытуемого. Таким образом, восприятие деталей сложного паттерна зависит не только от физических свойств стимула, но и от работы высокоуровневых когнитивных процессов, таких как внимание и мотивация.

Рис. 4.14. Записи движений глаз испытуемого при разглядывании картины (слева вверху). Траектория 1 получена, когда испытуемый рассматривал картину произвольно. Последующие траектории получены после того, как испытуемого просили оценить экономическую состоятельность изображенных людей (траектория 2); их возраст (3); предположить, что они делали, перед тем как пришел «посетитель» (4); запомнить их одежду (5); запомнить положение людей и объектов в комнате (6) и оценить, как долго «посетитель» не видел эту «семью» (7). Источник: Yarbus, 1967
Альтернативой сравнению с эталоном и подетальному анализу как средствам распознавания паттернов является теория формирования прототипов. Вполне вероятно, что в ДВП хранятся не конкретные эталоны и тем более не детальные признаки многочисленных паттернов, которые нам приходится опознавать, а своеобразная абстракция паттернов, которая и служит в качестве прототипа. Паттерн сопоставляется с прототипом и при наличии сходства происходит его опознание. Применительно к человеку гипотеза прототипного сравнения больше отвечает принципу неврологической экономичности и процессам поиска в памяти, чем гипотеза о сравнении с эталоном; она позволяет также опознавать «необычные» паттерны, которые тем не менее как-либо связаны с прототипом. В такой системе можно, например, сформировать прототип идеальной буквы Л, относительно которого все остальные А будут оцениваться по принципу сходства. Если расхождение велико (например, если это не А, а другая буква), то мы отмечаем отсутствие «совпадения» и отвергаем предъявленную букву как не А; затем можно искать прототип, который лучше подходит для этой буквы.
Свидетельства в пользу прототипного сравнения — повсюду вокруг нас, и интуитивно эта гипотеза выглядит весьма достоверной. Мы узнаем машину марки «Фольксваген», даже если у нее другие цвет и форма или она облеплена всякими безделушками, которые никак не сходятся с идеальной моделью в нашей голове. В этом смысле прототип — это не только абстракция из набора стимулов, но и «краткий конспект», наилучшая репрезентация данного паттерна[24].
Прочитали книгу? Предлагаем вам поделится своим впечатлением! Ваш отзыв будет полезен читателям, которые еще только собираются познакомиться с произведением.
Оставить комментарий
-
Ольга18 февраль 13:35
Измена .не прощу часть первая закончилась ,простите а где же вторая часть хотелось бы узнать
Измена. Не прощу - Анастасия Леманн
-
Илья12 январь 15:30
Книга прекрасная особенно потому что Ее дали в полном виде а не в отрывке
Горький пепел - Ирина Котова
-
Гость Алексей04 январь 19:45
По фрагменту нечего комментировать.
Бригадный генерал. Плацдарм для одиночки - Макс Глебов
-
Гость галина01 январь 18:22
Очень интересная книга. Читаю с удовольствием, не отрываясь. Спасибо! А где продолжение? Интересно же знать, а что дальше?
Чужой мир 3. Игры с хищниками - Альбер Торш


